Xedos Community  
  Mazda Xedos 6 - HomeMazda Xedos 6 - Xedos6Mazda Xedos 6 - Xedos9Mazda Xedos 6 - TestsMazda Xedos 6 - Forum  
 
Zurück   Xedos-Community Forum > Xedos > Fahrwerk

Fahrwerk

Federn, Stoßdämpfer, Bremsen, Räder, Reifen


Antwort
 
Themen-Optionen
Alt 04.03.2012, 13:39   #1
marcel X9
Gast
 
Beiträge: n/a
Brembo Bremsen

Hallo!

Ich habe mir vor Kurzem Bremsen für meinen X9 Bj. '02 gekauft. Laut Bremboseite sollten diese auf meinen Wagen passen. Jedoch sind sie kleiner als meine aktuellen Bremsscheiben!

Jetzt wollte ich diese Bremsscheiben verkaufen, nur hab ich keine Ahnung auf was für einen Typ sie passen?!

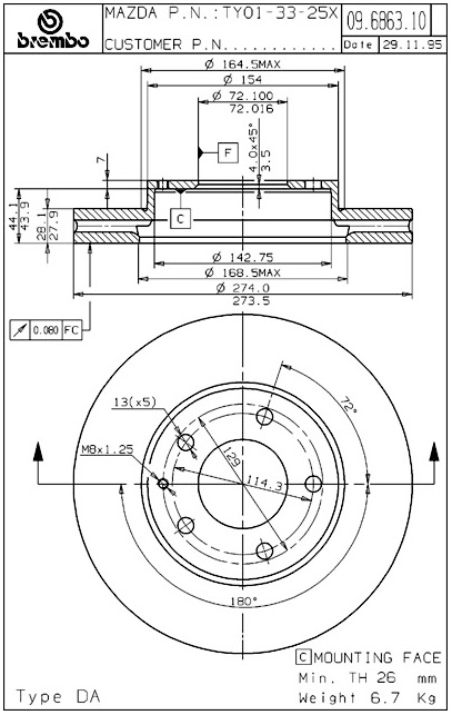
Nummer BREMBO: 09.6863.10

Nummer OEM MAZDA: TY01-33-25X


Hat hier jemand eine Ahnung, denn auf die Brembosite kann man sich anscheinend nicht verlassen? Doch X9, nur anderes Baujahr vielleicht?

Gruß,
Miniaturansicht angehängter Grafiken
Klicke auf die Grafik für eine größere Ansicht

Name:	2170518087_2.jpg
Hits:	637
Größe:	71,3 KB
ID:	6312   Klicke auf die Grafik für eine größere Ansicht

Name:	2170518087_1.jpg
Hits:	645
Größe:	84,4 KB
ID:	6313  
  Mit Zitat antworten
    
Xedos-Community
 
Diese Einblendung wird nicht mehr angezeigt, sobald Du Dich registriert und angemeldet hast.
Weil so ein Forum immer vom Mitmachen seiner User lebt, mach doch einfach bei uns mit - diskutiere mit anderen Xedos-Fans und bereichere unsere Gemeinschaft *g*


Alt 04.03.2012, 17:59   #2
-=LuX=-
Benutzer
 
Benutzerbild von -=LuX=-
 
Registriert seit: 07.04.2010
Beiträge: 2.525

Xedos 9 2.3i V6 Miller Cycle TB89
Xedos 6 2.0i V6 CA69, MX-6 2.5 V6 GA5V
Die Teilenummer ist vom '94er Modell. Für das FL wäre die richtige Teilenummer: TY07-33-25XA oder auch L12Y-33-25X.

Letztere sind 20 mm größer vom Durchmesser und 2 mm dicker. Da das FL Modell ja auch größere Felgen (16") hat als das '94er Modell (15"), passt es doch. Also auch für's richtige Modell suchen..

Gruß
Jürgen
__________________
Alle sagten: Das geht nicht. Dann kam einer, der wusste das nicht und hat's gemacht.
-=LuX=- ist offline   Mit Zitat antworten
Alt 04.03.2012, 18:28   #3
xxxwasabixxx
Gast
 
Beiträge: n/a
deine passen auch für den Ford Probe oder den MX6, du kannst sie also auch in der Probe-Com usw. anbieten
  Mit Zitat antworten
Alt 04.03.2012, 18:34   #4
-=LuX=-
Benutzer
 
Benutzerbild von -=LuX=-
 
Registriert seit: 07.04.2010
Beiträge: 2.525

Xedos 9 2.3i V6 Miller Cycle TB89
Xedos 6 2.0i V6 CA69, MX-6 2.5 V6 GA5V
Die passen auch für alle X9 bis Modell '98, also alle außer FL.

Gruß
Jürgen
__________________
Alle sagten: Das geht nicht. Dann kam einer, der wusste das nicht und hat's gemacht.
-=LuX=- ist offline   Mit Zitat antworten
Alt 05.03.2012, 16:33   #5
marcel X9
Gast
 
Beiträge: n/a
Ok, vielen vielen Dank für die Hilfe!

Beste Grüße!
  Mit Zitat antworten
Alt 06.03.2012, 01:05   #6
marcel X9
Gast
 
Beiträge: n/a
Apropos genauer Hinschauen:

Im Brembo-Katalog ist das glaub ich falsch angegeben, denn hier zeigt er mir für das 2000er Modell genau die Bremsscheiben, die ich auch gekauft habe, also: TY01-33-25X. Aber die haben einen Durchmesser von 274mm und sind zu klein.

Wenn ich nach der von Lux angegeben OEM Nummer suche (TY07-33-25XA) finde ich dieselben, zu kleinen, Bremsscheiben.
Bei manchen angeboten stehen beide OEM Nummern zu ein und derselben Bremsscheibe. Siehe Link.

http://www.autoteile-flink.de/Autote...194,15799.html

Das ist schon ein bisschen verwirrend beim Teilekauf
Miniaturansicht angehängter Grafiken
Klicke auf die Grafik für eine größere Ansicht

Name:	brembo.jpg
Hits:	659
Größe:	77,8 KB
ID:	6315  
  Mit Zitat antworten
Alt 06.03.2012, 21:24   #7
-=LuX=-
Benutzer
 
Benutzerbild von -=LuX=-
 
Registriert seit: 07.04.2010
Beiträge: 2.525

Xedos 9 2.3i V6 Miller Cycle TB89
Xedos 6 2.0i V6 CA69, MX-6 2.5 V6 GA5V
Du hast schon recht, man muss sich schon weitgehend auf die Shops im Zubehör verlassen.

Im EPC findet man zwar manchmal auch alternative Nummern von Teilen neuerer Modelljahrgänge des gleichen Fahrzeugs, wenn die auch an ältere Modelle passen und es die zur Lebenszeit des alten Modells noch nicht gab; die TY07-33-25XA findet man aber nur beim 2000er Modell. Da ist dann im EPC auch schon Schluss und die Abmessungen stehen da auch nicht.

Bei einigen Herstellern im Zubehör findet man aber tatsächlich auch Vergleichslisten, die TY07-33-25XA und TY01-33-25X als kompatibel angeben. Bei anderen Herstellern (z.B. H&B) findet man sowas nicht.

allmazda.net gibt auch alternative Hersteller und deren Bezeichnung für kompatible Teile an. Brembo ist im konkreten Fall zwar leider nicht dabei, aber es gibt in der Aufzählung z.B. ein Bild von BOSCH. Die BOSCH Bremsscheibe hat danach einen Durchmesser von 273.5 mm.

Ich weiß nicht, ob man allmazda.net trauen kann bzw. ob tatsächlich Mazda dahintersteckt. Aber wenn, dann darf oder kann man wohl auch die kleineren Bremsscheiben im FL Modell einbauen und dann wäre die Information bei Brembo (und einigen andern) doch korrekt. Ich würde sogar davon ausgehen, einbauen würde ich die kleineren Scheiben dann aber trotzdem nicht.

Teilesuche im Zubehör ist halt nicht immer so einfach.

Gruß
Jürgen
__________________
Alle sagten: Das geht nicht. Dann kam einer, der wusste das nicht und hat's gemacht.
-=LuX=- ist offline   Mit Zitat antworten
Antwort




Wichtige und häufig gefragte Themen

 [Forum]  E10: Mazda, die Ethanol-Beimischung und die EU-Umweltschutzlüge
 [Forum]  Sammelthread Reifen/Felgen/Fahrwerkskombination
 [Forum]  Xedos-Statistics: Produktionszahlen und Zulassungsstatistiken
 [Wiki]  Motoröl: das richtige Öl, Ölstand prüfen, Hydrostößel-Klackern
 [Wiki]  Funkfernbedienung (Einbau)

Aktuellste Wiki-Beiträge


 [17. Mai 2016]  Short Shifter



Zum Seitenanfang
 
     
© 2003-2026 wirthensohn @ Xedos-Community      Impressum      Datenschutz      Kontakt
     
 


Community
Forum
Neue Beiträge
Heutige Beiträge


Service