Xedos Community  
  Mazda Xedos 6 - HomeMazda Xedos 6 - Xedos6Mazda Xedos 6 - Xedos9Mazda Xedos 6 - TestsMazda Xedos 6 - Forum  
 
Zurück   Xedos-Community Forum > Xedos > Antrieb

Antrieb

Motor, Luftfilter, Auspuff, Getriebe, ...


Antwort
 
Themen-Optionen
Alt 02.05.2010, 20:30   #1
aca89
Benutzer
 
Benutzerbild von aca89
 
Registriert seit: 09.12.2008
Ort: Wien
Beiträge: 595

Mazda Xedos 6 V6 Serie 2
Opel Astra G Coupe Bertone Edition
Kühlerlüfter!

Hallo Leute,

ich glaube mein Kühlerlüfter hats erwischt,

und zwar wenn er anspringt hör ich von draußen so ein Geräusch Tak Tak Tak und hört wieder auf und wenns dann nicht mehr dreht, so langsam halt aufhört, hör ich wieder das Tak Tak Tak, oder eher so ein Krk so ähnlich halt.

Wollt fragen wer hat mal den Kühlerlüfter gewechselt ???

Was müsste ich so beachten außer das ich viel runter nehmen muss damit ich zu dem Kühler mal komm.

Sollte man nach dem wechsel auch dann entlüften oder wie ???

Danke im Vorraus!

mfg
ALex
__________________
aCa
aca89 ist offline   Mit Zitat antworten
    
Xedos-Community
 
Diese Einblendung wird nicht mehr angezeigt, sobald Du Dich registriert und angemeldet hast.
Weil so ein Forum immer vom Mitmachen seiner User lebt, mach doch einfach bei uns mit - diskutiere mit anderen Xedos-Fans und bereichere unsere Gemeinschaft *g*


Alt 02.05.2010, 20:35   #2
bymarek
Benutzer
 
Benutzerbild von bymarek
 
Registriert seit: 30.04.2010
Ort: Wien
Beiträge: 642

Xedos 9 2.5 KLZE!

Tribute 3.0i V6 AT 4x4

Zitat:
Zitat von aca89 Beitrag anzeigen
Hallo Leute,

ich glaube mein Kühlerlüfter hats erwischt,

und zwar wenn er anspringt hör ich von draußen so ein Geräusch Tak Tak Tak und hört wieder auf und wenns dann nicht mehr dreht, so langsam halt aufhört, hör ich wieder das Tak Tak Tak, oder eher so ein Krk so ähnlich halt.

Wollt fragen wer hat mal den Kühlerlüfter gewechselt ???

Was müsste ich so beachten außer das ich viel runter nehmen muss damit ich zu dem Kühler mal komm.

Sollte man nach dem wechsel auch dann entlüften oder wie ???

Danke im Vorraus!

mfg
ALex
wenn du es als neuteil brauchst sag bescheid
__________________
Xedos... hmm dass ist nicht nur ein Auto... dass ist ein LEBENSTIL!


Ex Autos:
Suzuki Vitara1994Bj 35-56tkm(gehört Mutter jetzt)
Peugeot 406 SW 2.2 HDI 2001 Bj (153tkm-248tkm)
Xedos 6 V6 S1 1993bj (170-220)
Xedos 9 2.0 V6 bj 2000 298-382
Laguna 2.2dci initiale 153-168

Jetzt: Tribute 3.0 V6 AT
Xedos 2.5i Schalter 2000
bymarek ist offline   Mit Zitat antworten
Alt 03.05.2010, 18:10   #3
bymarek
Benutzer
 
Benutzerbild von bymarek
 
Registriert seit: 30.04.2010
Ort: Wien
Beiträge: 642

Xedos 9 2.5 KLZE!

Tribute 3.0i V6 AT 4x4

Also den Lüftermotor kannste haben sogar um läppische, halt dich fest , ganz fest!!! und ohne Rabatt sogar!!




864 euronen
__________________
Xedos... hmm dass ist nicht nur ein Auto... dass ist ein LEBENSTIL!


Ex Autos:
Suzuki Vitara1994Bj 35-56tkm(gehört Mutter jetzt)
Peugeot 406 SW 2.2 HDI 2001 Bj (153tkm-248tkm)
Xedos 6 V6 S1 1993bj (170-220)
Xedos 9 2.0 V6 bj 2000 298-382
Laguna 2.2dci initiale 153-168

Jetzt: Tribute 3.0 V6 AT
Xedos 2.5i Schalter 2000
bymarek ist offline   Mit Zitat antworten
Alt 03.05.2010, 19:19   #4
aca89
Benutzer
 
Benutzerbild von aca89
 
Registriert seit: 09.12.2008
Ort: Wien
Beiträge: 595

Mazda Xedos 6 V6 Serie 2
Opel Astra G Coupe Bertone Edition
Ok passt
nehme ich

mfg
ALex

Ps: Spaß, hehe, sauteuer ...........
__________________
aCa
aca89 ist offline   Mit Zitat antworten
Alt 03.05.2010, 19:24   #5
bymarek
Benutzer
 
Benutzerbild von bymarek
 
Registriert seit: 30.04.2010
Ort: Wien
Beiträge: 642

Xedos 9 2.5 KLZE!

Tribute 3.0i V6 AT 4x4

ja weiss ich.. konnte nicht mal glauben dass so teuer ist
__________________
Xedos... hmm dass ist nicht nur ein Auto... dass ist ein LEBENSTIL!


Ex Autos:
Suzuki Vitara1994Bj 35-56tkm(gehört Mutter jetzt)
Peugeot 406 SW 2.2 HDI 2001 Bj (153tkm-248tkm)
Xedos 6 V6 S1 1993bj (170-220)
Xedos 9 2.0 V6 bj 2000 298-382
Laguna 2.2dci initiale 153-168

Jetzt: Tribute 3.0 V6 AT
Xedos 2.5i Schalter 2000
bymarek ist offline   Mit Zitat antworten
Alt 03.05.2010, 19:26   #6
aca89
Benutzer
 
Benutzerbild von aca89
 
Registriert seit: 09.12.2008
Ort: Wien
Beiträge: 595

Mazda Xedos 6 V6 Serie 2
Opel Astra G Coupe Bertone Edition
Naja wie ich sehe hat da keiner den Kühlerlüfter gewechselt bei X6,
werds ma noch am wochenende richtig mal gucken was da krk krk macht

mfg
ALex

danke für den Preis
__________________
aCa
aca89 ist offline   Mit Zitat antworten
Alt 04.05.2010, 07:47   #7
merlin.r
Benutzer
 
Registriert seit: 05.11.2006
Ort: Salzgitter
Alter: 67
Beiträge: 700

Xedos9 Mod.TC93 00-02 Ausst. Exclusiv LPG

In Restauration: Honda SS50 & JAWA350(640)
Zitat:
Zitat von aca89 Beitrag anzeigen
Naja wie ich sehe hat da keiner den Kühlerlüfter gewechselt bei X6,
werds ma noch am wochenende richtig mal gucken was da krk krk macht

mfg
ALex

danke für den Preis
Das mit dem Nachschauen wollte ich dir auch vorschlagen.
Vielleicht haste einen getrockneten Eichkater (Eichhörnchen) oder ähnliches zwischen Kühlernetz und Ventilatorflügel hängen, das macht dann schon Geräusche als wenn die Kids sich an Fahrrad Eisstiele so montieren das sie an den Speichen klappern.

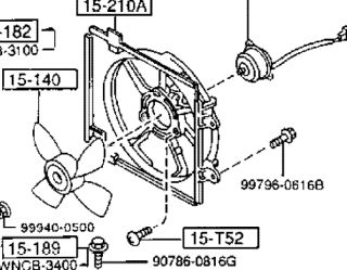
Klicke auf die Grafik für eine größere Ansicht

Name:	Kühlerlüfter.jpg
Hits:	577
Größe:	20,3 KB
ID:	4119

Oder bau ihn aus, drehe den Ventilator von Hand und schaue ob die Flägelenden nirgend wo anecken.

Eine weitere Möglichkeit wäre eine (oder mehere) der mechanischen Verbindungen E-Motor - Montage...(rahmen) hat ein Vibrationsbruch - hier hilft dann ein "Verband" aus Glasfasermatte und Stabilit-Express (2K-Epoxidharz-Kleber) um den Bruch zu schienen.

Alles im Allem wenn er (der Kühlerventilator) noch dreht (ca 1500-3000U/min) und dabei nicht heult wie eine Sirene (dann wär'e ein Lagerschaden im E-Motor) ist es rein mechanisch und kann in 90% der Falle gerichtet werden.

CU
merlin.r
__________________
LPG
"Alle Lebewesen außer den Menschen wissen, daß der Hauptzweck des Lebens darin besteht, es zu genießen." Samuel Butler
merlin.r ist offline   Mit Zitat antworten
Alt 04.05.2010, 08:01   #8
merlin.r
Benutzer
 
Registriert seit: 05.11.2006
Ort: Salzgitter
Alter: 67
Beiträge: 700

Xedos9 Mod.TC93 00-02 Ausst. Exclusiv LPG

In Restauration: Honda SS50 & JAWA350(640)
Zitat:
Zitat von aca89 Beitrag anzeigen
...
Was müsste ich so beachten außer das ich viel runter nehmen muss damit ich zu dem Kühler mal komm.

Sollte man nach dem wechsel auch dann entlüften oder wie ???
...
Der Lüfterausbau sollte eigendlich nicht sehr kompliziert ein.
2-4 Schrauben und ein Stercker lösen ab ist er.
Das Herausnehmen könnte etwas schwieriger sein. Bei meinem X9 bekomme ich den rechten (Beifahrerseite) relativ einfach nach oben raus. Den von der linken Seite geht am einfachsten nach unten aus dem Motorraum raus. Beide gehen nacheinander (erst rechts dann links) dann auch noch oben.

Ach so der Wasserkreislauf wird nicht angetastet.

CU
merlin.r
__________________
LPG
"Alle Lebewesen außer den Menschen wissen, daß der Hauptzweck des Lebens darin besteht, es zu genießen." Samuel Butler
merlin.r ist offline   Mit Zitat antworten
Alt 04.05.2010, 19:22   #9
aca89
Benutzer
 
Benutzerbild von aca89
 
Registriert seit: 09.12.2008
Ort: Wien
Beiträge: 595

Mazda Xedos 6 V6 Serie 2
Opel Astra G Coupe Bertone Edition
Danke schön merling.

Auf dich ist Verlass!



Werde ich am Wochenende durchchecken.

mfg
ALex
__________________
aCa
aca89 ist offline   Mit Zitat antworten
Alt 09.05.2010, 23:03   #10
aca89
Benutzer
 
Benutzerbild von aca89
 
Registriert seit: 09.12.2008
Ort: Wien
Beiträge: 595

Mazda Xedos 6 V6 Serie 2
Opel Astra G Coupe Bertone Edition
Up!!!

so das komische geräusch (krk krk), war der Grund wegen eines Kabels der war so doll drinnen bis zum Ventilator samt den stecker und da hat es immer drauf geballert, gott sei dank hatt es keinen Schaden hintergelassen,
omg, was ich alles nicht höre, kann nur mir passieren


mfg
ALex
__________________
aCa
aca89 ist offline   Mit Zitat antworten
Antwort

Themen-Optionen



Wichtige und häufig gefragte Themen

 [Forum]  E10: Mazda, die Ethanol-Beimischung und die EU-Umweltschutzlüge
 [Forum]  Sammelthread Reifen/Felgen/Fahrwerkskombination
 [Forum]  Xedos-Statistics: Produktionszahlen und Zulassungsstatistiken
 [Wiki]  Motoröl: das richtige Öl, Ölstand prüfen, Hydrostößel-Klackern
 [Wiki]  Funkfernbedienung (Einbau)

Aktuellste Wiki-Beiträge


 [17. Mai 2016]  Short Shifter



Zum Seitenanfang
 
     
© 2003-2026 wirthensohn @ Xedos-Community      Impressum      Datenschutz      Kontakt
     
 


Community
Forum
Neue Beiträge
Heutige Beiträge


Service