Xedos Community  
  Mazda Xedos 6 - HomeMazda Xedos 6 - Xedos6Mazda Xedos 6 - Xedos9Mazda Xedos 6 - TestsMazda Xedos 6 - Forum  
 
Zurück   Xedos-Community Forum > Xedos > Elektrik

Elektrik

Licht, Alarmanlagen, Fernbedienungen, ...


Antwort
 
Themen-Optionen
Alt 13.12.2010, 15:47   #1
Steven
Gast
 
Beiträge: n/a
NSW anschließen

Hi,

Ich hoffe das mir jemand bei meinem Problem helfen kann.
Ich würde meinem Xedos 6 V6 der ersten Serie gerne zu Weihnachten ein paar NSW schenken. Die Nebler habe ich schon da und der Schalter ist auch schon eingebaut.
Im Forum habe ich nämlich mal gelesen, das evtl der Kabelbaum schon vorbereitet ist... bei mir nicht.

Nun habe ich das Werkstatthandbuch mit den ganzen Verkabelungsdiagrammen vor mir. Ich liste mal auf was ich schon gefunden habe.

Masse der Nebler: über den Scheinwerfer
Plus der Nebler: vom Nebelscheinwerferschalter-Ausgang (ist logisch), zur Intrumentengruppe (Kontrollleuchte) ABER warum über eine Diode zum Nebelschlussleuchtenrelais UND zum Motorsteuergerät.

Ich bitte euch darum, das mir einer hilft meinem Xedos ein schönes Weihnachtsgeschenk zu machen, welches möglichst dem Originalzustand entspricht. Ist halt so meine Art: wenn ich schon an der Elektrik dranne bin, dann kann ich das auch gleich richtig machen.

Ich danke euch schonmal!

MfG Steven
  Mit Zitat antworten
    
Xedos-Community
 
Diese Einblendung wird nicht mehr angezeigt, sobald Du Dich registriert und angemeldet hast.
Weil so ein Forum immer vom Mitmachen seiner User lebt, mach doch einfach bei uns mit - diskutiere mit anderen Xedos-Fans und bereichere unsere Gemeinschaft *g*


Alt 13.12.2010, 15:54   #2
w00lf
Benutzer
 
Benutzerbild von w00lf
 
Registriert seit: 08.10.2008
Ort: Kärnten
Alter: 36
Beiträge: 5.220

Xedos 6 1.6 16V Serie 1 83kW
BMW E38 735iA V8 176kW / Toyota GT86 147kW
Zur Elektriksache kann ich leider nichts sagen. ABER vergiss nicht, dass du für die Nebler auch die Halterungen brauchst. Und um die zu befestigen musst du, soweit ich weiß die Stoßstange abnehmen. Nur zur Info.

mfg, Wolfgang
__________________
Xedos 6 16V:
---
BMW 735i V8:
w00lf ist offline   Mit Zitat antworten
Alt 13.12.2010, 17:03   #3
mcfive
Gast
 
Beiträge: n/a
Zitat:
Zitat von Steven Beitrag anzeigen
Hi,

...
Masse der Nebler: über den Scheinwerfer
Plus der Nebler: vom Nebelscheinwerferschalter-Ausgang (ist logisch), zur Intrumentengruppe (Kontrollleuchte) ABER warum über eine Diode zum Nebelschlussleuchtenrelais UND zum Motorsteuergerät.
...

Ich danke euch schonmal!

MfG Steven
Hi Steven,

...korrektur der Leelaufdrehzahl (jeder grössere Verbraucher belastet die Lichtmaschine, d.h. die Leerlaufdrehzahl geht in den Keller)
über denn Pin wird dem Steuergerät das Einschalten des Verbrauchers "mitgeteilt" (ist bei anderen grossen Verbrauchern auch so)
...Diode (Richtungsabhängiges Bauteil) dient zur "Entkopplung" der einzelnen Stromkreise (keine Beinflussung wenn Nebelschluss und oder Nebelscheinwerfer eigeschaltet werden)

Bye Uwe
  Mit Zitat antworten
Alt 13.12.2010, 17:21   #4
Steven
Gast
 
Beiträge: n/a
Zitat:
Zitat von w00lf
Zur Elektriksache kann ich leider nichts sagen. ABER vergiss nicht, dass du für die Nebler auch die Halterungen brauchst. Und um die zu befestigen musst du, soweit ich weiß die Stoßstange abnehmen.
Danke, die Halter kamen mit den NSW mit und das mit der Stoßstange habe ich auch schon gelesen.

Zitat:
Zitat von mcfive
...korrektur der Leelaufdrehzahl (jeder grössere Verbraucher belastet die Lichtmaschine, d.h. die Leerlaufdrehzahl geht in den Keller)
über denn Pin wird dem Steuergerät das Einschalten des Verbrauchers "mitgeteilt" (ist bei anderen grossen Verbrauchern auch so)
...Diode (Richtungsabhängiges Bauteil) dient zur "Entkopplung" der einzelnen Stromkreise (keine Beinflussung wenn Nebelschluss und oder Nebelscheinwerfer eigeschaltet werden)
Okay, das mit der Leerlaufdrehzahl dachte ich mir fast. Danke dafür.
Aber ich frage mich nur, warum (wenn Nebler an) der Strom über die Diode zur Spule der Nebelschlussleuchte geht, diese aber schon Strom von den eingeschalteten Abblendlicht bekommt?

Und hat vlt jmd noch eine Idee, wie ich die Kabel vom Motor zum NSW-Schalter bekomme? Habe schon in der Spritzwand den Kabelstrang entdeckt der in die Fahrgastzelle führt, aber von da zum Schalter??? Muss ich da das kompletter Armaturenbrett entfernen?
  Mit Zitat antworten
Alt 13.12.2010, 17:58   #5
mcfive
Gast
 
Beiträge: n/a
Zitat:
Zitat von Steven Beitrag anzeigen
...
Aber ich frage mich nur, warum (wenn Nebler an) der Strom über die Diode zur Spule der Nebelschlussleuchte geht, diese aber schon Strom von den eingeschalteten Abblendlicht bekommt?
...
...Du hast es schon fast selber beantwortet... bei Ablendlicht ja, Mazda hat aber vorgesehen das das die Zusatzlichter (vorn und hinten) auch bei eingeschalteten Standlicht funzen (Schaltplan - Lichtschalter Standlichfunktion TNS schau zum Ablendrelais)


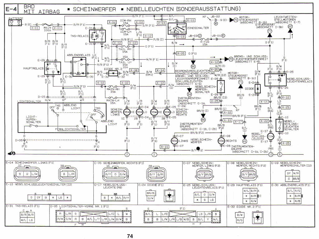
PS: In irgendeiner der ersten Versionen des Verkabelungsdiagramm ist die S. 74 E-4 fehlerhaft
...im Anhang die ist vom mir korrigiert worden
Miniaturansicht angehängter Grafiken
Klicke auf die Grafik für eine größere Ansicht

Name:	XedosNSSchaltplan_klein_korr.jpg
Hits:	948
Größe:	119,4 KB
ID:	4952  
  Mit Zitat antworten
Alt 13.12.2010, 20:52   #6
w00lf
Benutzer
 
Benutzerbild von w00lf
 
Registriert seit: 08.10.2008
Ort: Kärnten
Alter: 36
Beiträge: 5.220

Xedos 6 1.6 16V Serie 1 83kW
BMW E38 735iA V8 176kW / Toyota GT86 147kW
Zitat:
Zitat von mcfive Beitrag anzeigen
...Mazda hat aber vorgesehen das das die Zusatzlichter (vorn und hinten) auch bei eingeschalteten Standlicht funzen...
So nicht ganz richtig, zumindest bei meinem X geht die Nebelschlussleuchte nur bei eingeschaltetem ABBLENDlicht ein.

mfg, Wolfgang
__________________
Xedos 6 16V:
---
BMW 735i V8:
w00lf ist offline   Mit Zitat antworten
Alt 13.12.2010, 23:15   #7
Steven
Gast
 
Beiträge: n/a
Zitat:
Zitat von mcfive Beitrag anzeigen
...Du hast es schon fast selber beantwortet... bei Ablendlicht ja, Mazda hat aber vorgesehen das das die Zusatzlichter (vorn und hinten) auch bei eingeschalteten Standlicht funzen (Schaltplan - Lichtschalter Standlichfunktion TNS schau zum Ablendrelais)


PS: In irgendeiner der ersten Versionen des Verkabelungsdiagramm ist die S. 74 E-4 fehlerhaft
...im Anhang die ist vom mir korrigiert worden
Okay, sag mal, hast du dir die Diagramme eingescannt oder gibt es die auch irgendwo digital?
Ich werde dann mal über dein bearbeitetes Diagramm rüberschauen und mit meinem vergleichen, ob das den Fehler hat.

Kannst du mir aber vlt auch noch sagen, was genau das TNS-Relais macht, besser noch für was "TNS" steht?

Zitat:
Zitat von w00lf Beitrag anzeigen
So nicht ganz richtig, zumindest bei meinem X geht die Nebelschlussleuchte nur bei eingeschaltetem ABBLENDlicht ein.

mfg, Wolfgang
Das werde ich mal morgen gucken, wie das bei meinem Xedos ist.
  Mit Zitat antworten
Alt 14.12.2010, 08:24   #8
mcfive
Gast
 
Beiträge: n/a
Zitat:
Zitat von w00lf Beitrag anzeigen
So nicht ganz richtig, zumindest bei meinem X geht die Nebelschlussleuchte nur bei eingeschaltetem ABBLENDlicht ein.

mfg, Wolfgang
Hallo Wolfgang,

bist Du Dir da sicher?
Nebelschlussleuchte bei eingeschalteten Standlicht alleine sicher nicht, nur in Verbindung mit eingeschalteten Nebellampen, macht ja sonst keinen Sinn

Steven bei Dir wird es ohne Nebler nicht funzen, es sei dann der Kabelbaum nebst Schalter einschließlich der Diode (Schaltplan E-24 (F1)) ist nachgerüstet...

...TNS keine Ahnung, ich sag mal so Standlicht oder Positionsleuchten und alle Verbraucher die angehen wenn Du den Lenkstockschalter einmal drehst...

Plan ist eingescannt, kompleptt digital nee da wirste mit MAZDA Probleme kriegen ich denke, nicht mal Auszüge sind erlaubt, aber diesbezüglich kann da unser Admin besser Auskunft geben...

Bye Uwe
  Mit Zitat antworten
Alt 14.12.2010, 17:33   #9
w00lf
Benutzer
 
Benutzerbild von w00lf
 
Registriert seit: 08.10.2008
Ort: Kärnten
Alter: 36
Beiträge: 5.220

Xedos 6 1.6 16V Serie 1 83kW
BMW E38 735iA V8 176kW / Toyota GT86 147kW
Zitat:
Zitat von mcfive Beitrag anzeigen
Hallo Wolfgang,

bist Du Dir da sicher?
Nebelschlussleuchte bei eingeschalteten Standlicht alleine sicher nicht, nur in Verbindung mit eingeschalteten Nebellampen, macht ja sonst keinen Sinn
Ja bin mir sicher. Ich kann die NSL aber auch ohne Nebler vorne einschalten. Dazu muss ich einfach das Abblendlicht einschalten. Obs ohne Abblendlicht aber mit eingeschalteten Frontneblern funktioniert kann ich jetzt gar nicht sagen.

Aber dass es auch ohne Nebler vorne geht ergibt für mich schon einen Sinn, immerhin müsste man da Änderungen machen für die Xedose ohne der Option "Zusatzscheinwerfer", da muss die NSL schließlich auch brennen.

mfg, Wolfgang
__________________
Xedos 6 16V:
---
BMW 735i V8:
w00lf ist offline   Mit Zitat antworten
Alt 14.12.2010, 17:53   #10
JWBehrendt
Benutzer
 
Benutzerbild von JWBehrendt
 
Registriert seit: 07.04.2006
Beiträge: 1.194
Wat sacht denn dat Schaltschema dazu?
Korrekt wäre es MIT Abblendlicht ODER NSW.

so long,
John

P.S. Hab' grad mal beim 626GE nachgeschaut; geht nur mit Abblendlicht oder NSW.
__________________
Es wird Wagen geben, die von keinem Tier gezogen werden und mit unglaublicher Gewalt daherfahren.
Leonardo Da Vinci (1452 - 1519)

Geändert von JWBehrendt (14.12.2010 um 18:12 Uhr) Grund: P.S.
JWBehrendt ist offline   Mit Zitat antworten
Antwort




Wichtige und häufig gefragte Themen

 [Forum]  E10: Mazda, die Ethanol-Beimischung und die EU-Umweltschutzlüge
 [Forum]  Sammelthread Reifen/Felgen/Fahrwerkskombination
 [Forum]  Xedos-Statistics: Produktionszahlen und Zulassungsstatistiken
 [Wiki]  Motoröl: das richtige Öl, Ölstand prüfen, Hydrostößel-Klackern
 [Wiki]  Funkfernbedienung (Einbau)

Aktuellste Wiki-Beiträge


 [17. Mai 2016]  Short Shifter



Zum Seitenanfang
 
     
© 2003-2026 wirthensohn @ Xedos-Community      Impressum      Datenschutz      Kontakt
     
 


Community
Forum
Neue Beiträge
Heutige Beiträge


Service