Xedos Community  
  Mazda Xedos 6 - HomeMazda Xedos 6 - Xedos6Mazda Xedos 6 - Xedos9Mazda Xedos 6 - TestsMazda Xedos 6 - Forum  
 
Zurück   Xedos-Community Forum > Xedos > Elektrik

Elektrik

Licht, Alarmanlagen, Fernbedienungen, ...


Antwort
 
Themen-Optionen
Alt 22.10.2020, 22:52   #1
Michael
Gast
 
Beiträge: n/a
Xedos9 Klopfsensor

Hallo zusammen.
Ich hoffe mir kann jemand helfen.Meine Motorkontrollleuchte ist an und beim auslesen des Fehlerspeicher wird angeszeigt das der Klopfsensor defekt ist.Dieser ist von mir getauscht worden und der Fehler ist immer noch da.Bevor ich den Sensor getauscht habe war die Motorkontrollleuchte mal an und dann auch wieder nicht.Ich vermute irgendwo einen Kabelbruch.Deshalb müsste ich wissen wo sich das Motorsteuergerät befindet oder wo das Kabel vom Klopfsensor hinführt.
Beim dem Fahrzeug handelt es sich um einen Xedos 9 Bj 2002.
2.5 l V6 163 PS.
  Mit Zitat antworten
    
Xedos-Community
 
Diese Einblendung wird nicht mehr angezeigt, sobald Du Dich registriert und angemeldet hast.
Weil so ein Forum immer vom Mitmachen seiner User lebt, mach doch einfach bei uns mit - diskutiere mit anderen Xedos-Fans und bereichere unsere Gemeinschaft *g*


Alt 22.10.2020, 23:05   #2
wirthensohn
Administrator
 
Benutzerbild von wirthensohn
 
Registriert seit: 30.07.2003
Ort: Bingen am Rhein
Beiträge: 8.624

Xedos 6 2.0 V6 (1992, blau)
Xedos 6 2.0 V6 (1992, silbergrau)
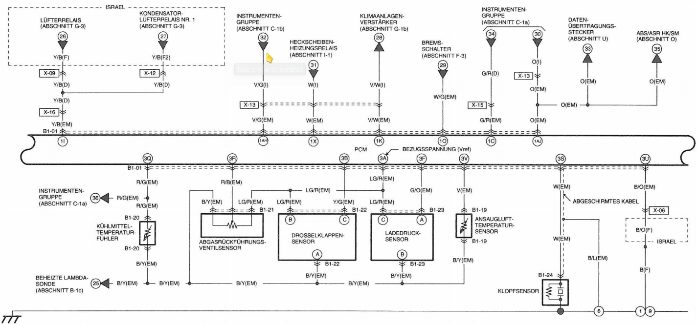
Der Klopfsensor führt direkt zum Motor- und Automatiksteuergerät (PCM). Dieses befindet sich im Innenraum, unterhalb des Radios auf dem Mitteltunnel. Um das Steuergerät frei zu legen, musst Du mindestens mal die Holzdekorblende der Mittelkonsole heraus bauen.

Am Steuergerät müsste das Signalkabel des Klopfsensors eigentlich als einzelnes, geschirmtes Kabel an seinem eigenen (einpoligen) Stecker ankommen.

Siehe auch Anhänge.

Grüße
Christian
Miniaturansicht angehängter Grafiken
Klicke auf die Grafik für eine größere Ansicht

Name:	Screenshot_20201022_225946.png
Hits:	872
Größe:	491,5 KB
ID:	9165   Klicke auf die Grafik für eine größere Ansicht

Name:	Screenshot_20201022_230022.png
Hits:	893
Größe:	417,8 KB
ID:	9166  
wirthensohn ist offline   Mit Zitat antworten
Alt 22.10.2020, 23:09   #3
Michael
Gast
 
Beiträge: n/a
Schönen Dank ich werde mir das mal anschauen.
  Mit Zitat antworten
Alt 23.10.2020, 20:14   #4
baldX9
Gast
 
Beiträge: n/a
Du hast den Sensor getauscht? Ich habe seit 2 Monaten sporadisch die MKL an, nuit dem Fehler “Klopfsensor“. Mazda rechnete mir einige Hundert vor und wies darauf hin, dass der Sensor aus ihrer Sicht bis zum TÜV irrelevant sei.
Gesagt, getan. Meist ist die MKL aus, der Fehler geht von alleine weg.

Wie teuer war der Wechsel bei Dir?
Gibt es -abseits der MKL- eine Veränderung?

Gruß Michael
  Mit Zitat antworten
Alt 23.10.2020, 21:01   #5
wirthensohn
Administrator
 
Benutzerbild von wirthensohn
 
Registriert seit: 30.07.2003
Ort: Bingen am Rhein
Beiträge: 8.624

Xedos 6 2.0 V6 (1992, blau)
Xedos 6 2.0 V6 (1992, silbergrau)
Ich hatte damals bei meinem ersten Xedos 9 (1998er 2.5 V6) auch einen defekten Klopfsensor. Der Vorfacelift-X9 hatte allerdings noch keine Motorkontrollleuchte, die kam erst mit dem Facelift wegen Euro 3 rein.

Die Werkstatt hatte so grob 150 bis 200 Euro für den Wechsel geschätzt. Wobei ich gerade nicht mehr weiß, ob das mit oder ohne Klopfsensor gewesen wäre.

Besagte Werkstatt war mein Autogas-Umrüster und dieser war gerade dabei, den Xedos 9 auf Autogas umzurüsten, wozu ohnehin die Ansaugbrücke vom Motor runter musste und der Klopfsensor dadurch erst richtig zugänglich wurde. Der Umrüster hat den Klopfsensor dann freundlicherweise gleich mit gewechselt.

Ich habe mir gerade mal die Rechnung von damals raus gesucht. Allerdings taucht der Klopfsensor da nirgends auf. Er hatte mich also nichts gekostet.

Manchmal muss hat man eben auch mal Glück

Grüße
Christian
wirthensohn ist offline   Mit Zitat antworten
Alt 23.10.2020, 22:44   #6
Mazda RX-7 SA
Benutzer
 
Benutzerbild von Mazda RX-7 SA
 
Registriert seit: 01.08.2014
Ort: Wörthersee
Beiträge: 2.508

X9 FL '02
6 MPS, RX-7 SA, LS430, Aristo V300
Zitat:
Zitat von wirthensohn Beitrag anzeigen
Um das Steuergerät frei zu legen, musst Du mindestens mal die Holzdekorblende der Mittelkonsole heraus bauen.
Das hilft leider überhaupt nicht.
Weil die ECU "unterm" Lüftungskasten mit den Steckern nach vorne verbaut ist. Selbst wenn das Armaturenbrett ausgebaut ist, kommst noch immer nicht dazu....

Mazda RX-7 SA ist offline   Mit Zitat antworten
Alt 23.10.2020, 22:45   #7
Michael
Gast
 
Beiträge: n/a
Zitat:
Zitat von baldX9 Beitrag anzeigen
Du hast den Sensor getauscht? Ich habe seit 2 Monaten sporadisch die MKL an, nuit dem Fehler “Klopfsensor“. Mazda rechnete mir einige Hundert vor und wies darauf hin, dass der Sensor aus ihrer Sicht bis zum TÜV irrelevant sei.
Gesagt, getan. Meist ist die MKL aus, der Fehler geht von alleine weg.

Wie teuer war der Wechsel bei Dir?
Gibt es -abseits der MKL- eine Veränderung?

Gruß Michael

Hallo
Den Sensor habe ich selber gtauscht.War zwar nicht ganz einfach weil ziemlich verbaut.Kosten für den Sensor 30 €.Musste eh die Ventildeckeldichtungen wechseln da hat sich das angeboten.
Aber wie gesagt Fehler ist immer noch da,deshalb vermute ich mal irgendwo ein Kabelbruch.
  Mit Zitat antworten
Alt 23.10.2020, 22:48   #8
Mazda RX-7 SA
Benutzer
 
Benutzerbild von Mazda RX-7 SA
 
Registriert seit: 01.08.2014
Ort: Wörthersee
Beiträge: 2.508

X9 FL '02
6 MPS, RX-7 SA, LS430, Aristo V300
Zitat:
Zitat von Michael Beitrag anzeigen
Kosten für den Sensor 30 €
Original oder Nachbau?
Mazda RX-7 SA ist offline   Mit Zitat antworten
Alt 23.10.2020, 22:50   #9
Michael
Gast
 
Beiträge: n/a
Zitat:
Zitat von Mazda RX-7 SA Beitrag anzeigen
Das hilft leider überhaupt nicht.
Weil die ECU "unterm" Lüftungskasten mit den Steckern nach vorne verbaut ist. Selbst wenn das Armaturenbrett ausgebaut ist, kommst noch immer nicht dazu....


Also nehme ich mal an auf dem Foto der silberne Kasten rechts ist die ECU?
  Mit Zitat antworten
Alt 23.10.2020, 22:51   #10
Michael
Gast
 
Beiträge: n/a
Zitat:
Zitat von Mazda RX-7 SA Beitrag anzeigen
Original oder Nachbau?
Ja über Ebay.Sah aus wie orginal.
  Mit Zitat antworten
Antwort




Wichtige und häufig gefragte Themen

 [Forum]  E10: Mazda, die Ethanol-Beimischung und die EU-Umweltschutzlüge
 [Forum]  Sammelthread Reifen/Felgen/Fahrwerkskombination
 [Forum]  Xedos-Statistics: Produktionszahlen und Zulassungsstatistiken
 [Wiki]  Motoröl: das richtige Öl, Ölstand prüfen, Hydrostößel-Klackern
 [Wiki]  Funkfernbedienung (Einbau)

Aktuellste Wiki-Beiträge


 [17. Mai 2016]  Short Shifter



Zum Seitenanfang
 
     
© 2003-2026 wirthensohn @ Xedos-Community      Impressum      Datenschutz      Kontakt
     
 


Community
Forum
Neue Beiträge
Heutige Beiträge


Service