Xedos Community  
  Mazda Xedos 6 - HomeMazda Xedos 6 - Xedos6Mazda Xedos 6 - Xedos9Mazda Xedos 6 - TestsMazda Xedos 6 - Forum  
 
Zurück   Xedos-Community Forum > Xedos > Elektrik

Elektrik

Licht, Alarmanlagen, Fernbedienungen, ...


Antwort
 
Themen-Optionen
Alt 26.07.2009, 13:49   #1
malagen
Gast
 
Beiträge: n/a
Dimmer innenlicht

Hallo,

habe beim Foren durchsuchen diesen Artikel gefunden.

Zitat:
Zitat von sasha hehn Beitrag anzeigen
Moinsen allerseits,

Problemstellung:

Irgendwann ist mir beim Rumfummeln an der Innenraumbeleuchtung die Sicherung rausgeflogen, seitdem geht die Innenraumbeleuchtung nicht mehr beim Öffnen der Türen an. Manuelle Umschaltung auf "ON" und die Leselampen funktionieren, aber wie gesagt beim Öffnen der Türen, bzw. wenn der Xedos per FB geöffnet wird, geht kein Licht mehr im Innenraum an. Doch Halt! Wenn ich die Türen aufmache gehen die roten Sicherheitskram- Lampen in den Türen, also das geht noch.
Peter hat mir schon eine andere Innenraum- Deckenleuchte geschickt, aber an der liegt es anscheinend nicht.
( FETTEN DANK AN UNSEREN LIEBEN PETERLE )

Ich nehme mal an, daß die Dimmfunktion mit der Zentralverriegelung zusammenhängt und deshalb frage ich Euch, die einen Schaltplan von II.Serie X6 haben. Könnt ihr mir vielleicht weiterhelfen?



Vielen Dank an alle, die sich auch mal meinem Problem stellen
War von 2007. Es gab allerdings keine Antworten.

Habe das gleiche Problem, drum möchte ich das Thema nochmal aufgreifen.

Weis da jem. was, oder gab es hier lösungen?

mfg,

Mal
  Mit Zitat antworten
    
Xedos-Community
 
Diese Einblendung wird nicht mehr angezeigt, sobald Du Dich registriert und angemeldet hast.
Weil so ein Forum immer vom Mitmachen seiner User lebt, mach doch einfach bei uns mit - diskutiere mit anderen Xedos-Fans und bereichere unsere Gemeinschaft *g*


Alt 28.07.2009, 09:01   #2
sasha hehn
Benutzer
 
Benutzerbild von sasha hehn
 
Registriert seit: 12.01.2005
Ort: Hansestadt Rostock
Alter: 47
Beiträge: 849

Xedos 6 2.5 V6 ´99 (Serie 2)

Moin,

ich habe das Problem noch nicht lösen können, allerdings habe ich mich auch nicht mehr bemüht...
__________________
"Dem Ingenieur ist nichts zu schwör"
sasha hehn ist offline   Mit Zitat antworten
Alt 28.07.2009, 09:08   #3
JWBehrendt
Benutzer
 
Benutzerbild von JWBehrendt
 
Registriert seit: 07.04.2006
Beiträge: 1.194
Die Dimmerfunktion ist in der Allgemeinen ECU (Karosserie-Elektrik) integriert. Habt ihr euch wohl den Ausgangstransistor zerschossen.
Abhilfe: ECU austauschen oder den Transi in der ECU.

so long,
John
JWBehrendt ist offline   Mit Zitat antworten
Alt 28.07.2009, 22:57   #4
malagen
Gast
 
Beiträge: n/a
Hallo John,

kannst da ein paar Bilder von der ECU schicken und wo die sich denn befindet?

Hab grad im Shop gesurft und nur ein Zentralsteuergerät gefunden. Ist es das? http://www.xedos-shop.de/index.php/c...uerger-te.html

Aber toll das sich da jemand auskennt.

War beim Mazda Händler und die meinten, dass hier die Türtaster kaputt wären und man diese "leider" nicht einzeln bestellen kann.
Kann aber nicht sein, da egal bei welcher Tür immer alle Warnlampen angehen.
  Mit Zitat antworten
Alt 28.07.2009, 23:38   #5
nordfly
Benutzer
 
Benutzerbild von nordfly
 
Registriert seit: 12.04.2008
Ort: Nortorf
Alter: 40
Beiträge: 766

Hyundai Genesis Coupe 3.8 V6

Zitat:
Zitat von malagen Beitrag anzeigen
War beim Mazda Händler und die meinten, dass hier die Türtaster kaputt wären und man diese "leider" nicht einzeln bestellen kann.
Waas diese Türtaster soll man nicht einzeln bekommen? Ist ja wohl nen Witz.
Wenn nicht einzeln, wie denn? Zusammen mit ner kompletten Karrosserie?
__________________
Mazda Xedos 6 2.0 V6 (verkauft 2012)

Tuscani 2.7 V6 (verkauft 2016)

Hyundai Genesis Coupe 3.8 V6
nordfly ist offline   Mit Zitat antworten
Alt 29.07.2009, 10:55   #6
JWBehrendt
Benutzer
 
Benutzerbild von JWBehrendt
 
Registriert seit: 07.04.2006
Beiträge: 1.194
Zitat:
Zitat von malagen Beitrag anzeigen
Hallo John,
kannst da ein paar Bilder von der ECU schicken und wo die sich denn befindet?
Ne, hab' keine Bilder parat. In der Wiki steht übrigens auch, wo die einzelnen Steuergeräte zu finden sind.


Zitat:
Zitat von malagen Beitrag anzeigen
War beim Mazda Händler und die meinten, dass hier die Türtaster kaputt wären und man diese "leider" nicht einzeln bestellen kann.
Kann aber nicht sein, da egal bei welcher Tür immer alle Warnlampen angehen.
Quatsch mit Soße! Wenn beim Öffnen einer Tür die Warnlampen angehen, ist der zugehörige Schalter OK.
Die Schalter gibt es übrigens sehr wohl einzeln zu kaufen, hatte bei mir den an der Fahrertür zerlegt & anstadnslos beim freundlichen bestellen/kaufen können.

so long,
John
JWBehrendt ist offline   Mit Zitat antworten
Alt 30.07.2009, 12:08   #7
sasha hehn
Benutzer
 
Benutzerbild von sasha hehn
 
Registriert seit: 12.01.2005
Ort: Hansestadt Rostock
Alter: 47
Beiträge: 849

Xedos 6 2.5 V6 ´99 (Serie 2)

Moin,

ich finde nichts in der Wiki.
Wo ist das Steuergerät?
__________________
"Dem Ingenieur ist nichts zu schwör"
sasha hehn ist offline   Mit Zitat antworten
Alt 30.07.2009, 12:11   #8
wirthensohn
Administrator
 
Benutzerbild von wirthensohn
 
Registriert seit: 30.07.2003
Ort: Bingen am Rhein
Beiträge: 8.624

Xedos 6 2.0 V6 (1992, blau)
Xedos 6 2.0 V6 (1992, silbergrau)
Auf dem Mitteltunnel hinter dem Armaturenbrett. Wenn Du die kompletten Mittelkonsolenblenden entfernst, siehst Du es. Unterhalb des Doppel-DIN-Schachts.

Gruß,
Christian
wirthensohn ist offline   Mit Zitat antworten
Alt 30.07.2009, 12:19   #9
Olli
Benutzer
 
Benutzerbild von Olli
 
Registriert seit: 02.09.2003
Ort: Düsseldorf
Alter: 41
Beiträge: 603

Xedos 6 V6 (Serie 1, BJ 1992)
smart ForTwo pulse (451, BJ 2008)
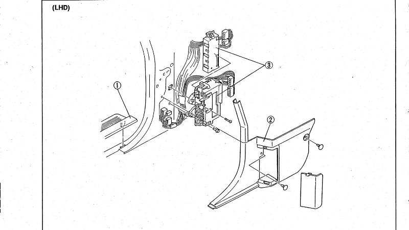
Die Steuerung für das Licht ist in der CPU. Die CPU befindet sich im Fahrerfußraum links hinter der Verkleidung.

Auf dem Bild das obere Teil.

Mit dem Motorsteuergerät hat das nichts zu tun!

Gruß
Olli
Miniaturansicht angehängter Grafiken
Klicke auf die Grafik für eine größere Ansicht

Name:	234.jpg
Hits:	426
Größe:	37,4 KB
ID:	3206  
Olli ist offline   Mit Zitat antworten
Alt 30.07.2009, 12:27   #10
wirthensohn
Administrator
 
Benutzerbild von wirthensohn
 
Registriert seit: 30.07.2003
Ort: Bingen am Rhein
Beiträge: 8.624

Xedos 6 2.0 V6 (1992, blau)
Xedos 6 2.0 V6 (1992, silbergrau)
Ähhhh.... upps... freud'sche Fehlleistung
wirthensohn ist offline   Mit Zitat antworten
Antwort




Wichtige und häufig gefragte Themen

 [Forum]  E10: Mazda, die Ethanol-Beimischung und die EU-Umweltschutzlüge
 [Forum]  Sammelthread Reifen/Felgen/Fahrwerkskombination
 [Forum]  Xedos-Statistics: Produktionszahlen und Zulassungsstatistiken
 [Wiki]  Motoröl: das richtige Öl, Ölstand prüfen, Hydrostößel-Klackern
 [Wiki]  Funkfernbedienung (Einbau)

Aktuellste Wiki-Beiträge


 [17. Mai 2016]  Short Shifter



Zum Seitenanfang
 
     
© 2003-2026 wirthensohn @ Xedos-Community      Impressum      Datenschutz      Kontakt
     
 


Community
Forum
Neue Beiträge
Heutige Beiträge


Service